Правильное направление в море возможностей

sale@gradient-metiz.ru, +7 (495) 632 00 56
Время работы: 9:00 - 18:00, будние дни

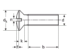
Винт DIN 964

DIN 964 Винт с полупотайной головкой, прямой шлиц, аналог ГОСТ 17474-80, ISO 2010. Диаметр резьбы винтов от М2 до М10.
Цена: по запросу
Минимальная сумма счёта - 3000 рублей
Минимальная сумма
счёта - 3000 рублей
Доставка по Москве
в течении 1-3 дней
Форма оплаты:
безналичный расчёт
d M2 M2.5 M3 M4 M5 М6 М8 М10
dk
DIN/ISO
3,8 4,7 5,6 7,5/8,4 9,2/9,3 11/11,3 14,5/15,8 18/18,3
k
DIN/ISO
1,2 1,5 1,65 2,2/2,7 2,5/2,7 3/3,3 4/4,65 5
b 16 18 19 22 25 28 34 40
n 0,5 0,6 0,8 1 1,2 1,6 2 2,5
f 0,5 0,6 0,75 1 1,25 1,5 2 2,5

С этим товаром часто покупают:

Винт под прямой шлиц


Винт с цилиндрической головкой ГОСТ 738

Установочный винт с плоской головкой

Винт с шестигранной головкой

Установочный винт